首先,IBIS模型是最常用、最准确的描述数字器件输入输出的模型,通常IC供应商会提供。但是,也有的时候没有提供IBIS文件,通常这种情况下做时域信号仿真便很艰难。所谓巧妇难为无米之炊,今天我们看看CST隐藏的一个小功能,生成通用的IBIS文档,做到无米但是有方便面。
Step1. 打开PCB工作室,正常导入PCB文件,线路Auto-tagging,元件IC作为I/O输入输出,无IBIS文件,所以无法用Assign Model。
Step2. 选择SITD求解器,选择需要生成IBIS模型的针脚,定义任意激励信号Stimulus,这样才能生成仿真任务。
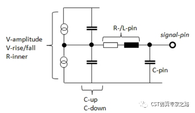
Step3. 在Model处,选择Edit编辑,里面的数字信号相关参数就是IBIS的参数。
硅芯片电容C_comp可以用C-up/down定义,封装参数可以用针脚参数定义。
Step4. 生成三维仿真任务MWS或电路任务Schematic:
在生成的子任务的电路中,新的IBIS便自动生成:
Step5. 可前去其位置查看或拷贝 :
…ProjectFolderSPSP1ModelDSExternalProjects
也可电路中右键开其属性,然后用IBIS Viewer查看,I/V曲线是简单的内阻模型。
具体参数定义参考帮助文档:
补充内容,SITD中有Termination可以修改,能够快速查看不同的负载对IBIS驱动器输出的的影响。
这个负载是自动生成的SPICE文件,处于IBIS缓冲器和三维电路之间,这种SPICE是含这里Model信息的,比如针脚in电阻和IBIS一致。
总结,该功能很多人不知道,因为生成的模型虽简单,但很救火,最重要的是能够跟实测效果吻合的非常好,很适合没有真正IBIS模型的情况。
(内容、图片来源:CST仿真专家之路公众号,侵删)
版权与免责声明:
凡未注明作者、来源的内容均为转载稿,如出现版权问题,请及时联系我们处理。我们对页面中展示内容的真实性、准确性和合法性均不承担任何法律责任。如内容信息对您产生影响,请及时联系我们修改或删除。
[行业资讯] 思茂信息亮相2025省博士创新站活动 共探产学研新路径
2025-12-02
[CST] CST软件探索EFT虚拟测试:从IEC标准到3D仿真实战
2025-12-01
[ABAQUS] Abaqus中理想弹塑性模型和弹塑性硬化模型区别
2025-11-28
2025-11-28
2025-11-28
[ABAQUS] 上课啦!达索系统 SIMULIA Abaqus PCB仿真
2025-11-26
[CST] 无参优化器:利用CST和Tosca进行拓扑优化之单极天线(
2025-11-26
2025-11-25
[行业资讯] 正版Abaqus全国代理商:思茂信息——达索授权认证
2025-11-25
[行业资讯] 怎么联系CST studio suite代理商?达索SIM
2025-11-25
2023-08-29
2023-08-24
[ABAQUS] ABAQUS如何建模?ABAQUS有限元分析教程
2023-07-07
[ABAQUS] 有限元分析软件abaqus单位在哪设置?【操作教程】
2023-09-05
[ABAQUS] ABAQUS软件中Interaction功能模块中的绑定接
2023-07-19
[ABAQUS] Abaqus怎么撤回上一步操作?Abauqs教程
2024-05-01
[ABAQUS] abaqus里面s11、s12和u1、u2是什么意思?s和
2023-08-30
[ABAQUS] Abaqus单位对应关系及参数介绍-Abaqus软件
2023-11-20
[ABAQUS] ABAQUS软件教程|场变量输出历史变量输出
2023-07-18
[ABAQUS] Abaqus中的S、U、V、E、CF分别是什么意思?
2024-05-11
[行业资讯] 思茂信息亮相2025省博士创新站活动 共探产学研新路径
2025-12-02
[行业资讯] 正版Abaqus全国代理商:思茂信息——达索授权认证
2025-11-25
[行业资讯] 怎么联系CST studio suite代理商?达索SIM
2025-11-25
2025-11-24
[行业资讯] 广东有限元分析软件Abaqus采购指南-认准达索授权思茂信
2025-11-21
[行业资讯] 达索Abaqus、CST代理商采购流程-指定授权代理商思茂
2025-11-21
[行业资讯] 广东2025半导体及零部件学会发展论坛落幕,广州思茂信息获
2025-11-20
[有限元知识] SIMULIA 一文读懂系列-基于 SIMULIA Pow
2025-11-18
[行业资讯] 企业版、教育版Abaqus软件多少钱?达索代理商思茂信息报
2025-11-17
[行业资讯] 99元安装正版Abaqus?谨防受骗,认准达索代理商思茂信
2025-11-13
地址: 广州市天河区天河北路663号广东省机械研究所8栋9层 电话:020-38921052 传真:020-38921345 邮箱:thinks@think-s.com
Copyright © 2010-2023 广州思茂信息科技有限公司 All Rights Reserved. 粤ICP备11003060号-2